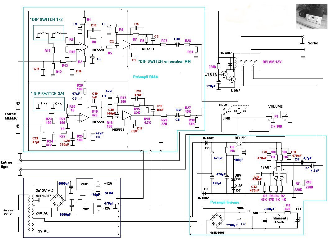
Préampli Dynavox TPR-2